CONTACT

WORKS施工事例

  1. 株式会社ニック
  2. 施工事例
  3. 日射と視線を制御する大型縦ルーバー

ルーバー・スクリーン

日射と視線を制御する大型縦ルーバー

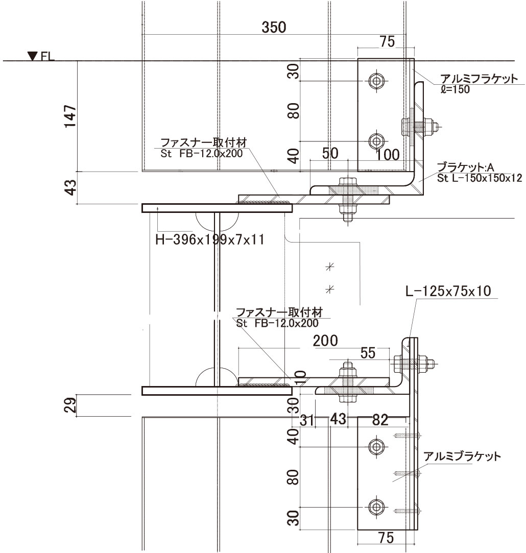
グリッド状の鉄骨フレームに見込350の大型縦ルーバーを配置。
日射制御の効果で、NearlyZebの取得に貢献しています。

詳細データ

施設名
リックス協創センター
所在地
福岡県糟屋郡
設計
石本建築事務所
施工
粕屋殖産
部材名
アルミ型材ルーバー

資料